夜猫app官方网站是什么风楼阁全国信息2025登录入口 ,老哥稳全国论坛(手机版),全国龙凤茶楼论坛全国楼凤信信息论坛 ,51品茶楼论坛

      
 
ÁÖÆµÐÂÎÅ
ÐÐÒµÐÂÎÅ
¹úÄÚ×ÊѶ
Ê×Ò³ > ÐÂÎÅÖÐÐÄ > ¸ßµÍÎÂÊÔÑéÏä380VÇл»220VµçѹֻÐèÒ»¸ö±äѹÆ÷
¸ßµÍÎÂÊÔÑéÏä380VÇл»220VµçѹֻÐèÒ»¸ö±äѹÆ÷

ʱ¼ä£º2016/4/27 11:15:28
 

¸ßµÍÎÂÊÔÑéÏäÊÇ»·¾³ÊÔÑéÉ豸ÐÐÒµÖлò²»¿ÉȱµÄÒ»¿î²úÆ·£¬ÔÚÔËÓ÷½Ã溽¿Õº½Ìì¡¢¿ÆÑе¥Î»¡¢¸ßµÈԺУµÈ¶¼ÊDZز»¿ÉÉٵģ¬Õâ¿îÉ豸Õû»úÓÉ300¶à¸öÁ㲿¼þ¹¹Ôì¶ø³É£¬Ã¿Ò»¸öÁ㲿¼þµÄÔËÓúÍÅäºÏ¶¼ÊÇÏ൱ÍêÃÀ¼°Ä¬Æõ£¬ÆäÖÐÓÐÒ»¿îÁ㲿¼þ½Ð×ö±äѹÆ÷£¬ÏàÐÅÐÐÍâºÜ¶àÅóÓѶ¼¶ÔËü²»Á˽â°É£¬Ã»¹ØÏµ£¬¼ÌÐøÍùÏ¿´¡£

±äѹÆ÷ÊÇÒ»ÖÖÀûÓõç´Å¸ÐÓ¦µÄÔ­ÀíÀ´¸Ä±ä½»Á÷µçѹµÄ×°Ö㬷¨À­µÚÔÚ1831Äê8ÔÂ29ÈÕ·¢Ã÷ÁËÒ»¸ö¡°µç¸Ð»·¡±£¬³ÆÎª¡°·¨À­µÚ¸ÐÓ¦ÏßȦ¡±£¬Êµ¼ÊÉÏÊÇÊÀ½çÉϵÚÒ»Ö»±äѹÆ÷³ûÐΡ£

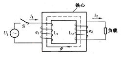
¸ßµÍÎÂÊÔÑéÏäÖеıäѹÆ÷ÓÉÌúоºÍÏßȦ×é³É£¬ÏßȦÓÐÁ½¸ö»òÁ½¸öÒÔÉϵÄÈÆ×飬ÆäÖнӵçÔ´µÄÈÆ×é½Ð³õ¼¶ÏßȦ£¬ÆäÓàµÄÈÆ×é½Ð´Î¼¶ÏßȦ¡£Ëü¿ÉÒԱ任½»Á÷µçѹ¡¢µçÁ÷ºÍ×迹¡£¼òµ¥µÄÌúÐıäѹÆ÷ÓÉÒ»¸öÈí´Å²ÄÁÏ×ö³ÉµÄÌúÐļ°Ì×ÔÚÌúÐÄÉϵÄÁ½¸öÔÑÊý²»µÈµÄÏßȦ¹¹³É£¬ÈçͼËùʾ¡£

 
Ïà¹ØÐÂÎÅ
¡¤¸ßµÍÎÂÊÔÑéÏä380VÇл»220VµçѹֻÐèÒ»¸ö±äѹÆ÷
  ÆóÒµQQ
  ×ÉѯÈÈÏߣº4000662888
ÊÛǰ·þÎñ
ÊÛÖзþÎñ
ÊÛºó·þÎñ
GBT 10125-1997 ÈËÔìÆø·Õ
GBT 2423.1-2008 µç¹¤µç
GM_9540P¸´ºÏÑÎÎíÏä
GBT 10592-2008 ¸ßµÍÎÂÊÔ
JIS D0204-1967 Æû³µÁã¼þ
JBT 7444-94¿ÕÆøÈÈÀÏ»¯ÊÔÑéÏä
GB-T 3512-1983 Ïð½ºÈÈ¿Õ
GBT3512-2001Áò»¯Ï𽺻òÈÈËÜ
GB 7000.1-2007IEC 6
GB 7000.1-2007IEC 6
GBT 12085.6-2010 ¹âѧ
GBT 12085.7-2010 ¹âѧ
GB10485-2007µÀ·³µÁ¾ÍⲿÕÕ
GBT 4857.7-92 ISO 2
GBT 10593.1-2005 µç¹¤
ÁªÏµÎÒÃÇ | ¹ØÓÚÎÒÃÇ | ÊÛºó·þÎñ | ÍøÕ¾µ¼º½ | ·¨ÂÉÉùÃ÷ | Òþ˽±£»¤
°æÈ¨ËùÓÐ © ÉϺ£ÁÖÆµÒÇÆ÷¹É·ÝÓÐÏÞ¹«Ë¾| Copyright(c) Shanghai Linpin Instrument Stock Co., LTD. All Right Reserved.
µç»°£º4000662888 021-60899999 ´«Õ棺021-34097666
µØÖ·£ºÉϺ£ÊзîÏÍÇøÁÙº£¹¤ÒµÇøÕ¹¹¤Â·888ºÅ »¦ICP±¸08003214ºÅ | »¦Íø°²±¸31012002002565ºÅ